English
33000 Series
select | Inquiry | Designation | Principal dimensions(mm) | Basic load ratings(KN) | Pu | Speed ratings(rpm) | Weight(Kg) | ISO335? | Dimensions?(mm) | Abutment and fillet dimensions?(mm) | Value |
---|
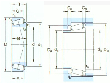
d1 | D | B | dyc(Cr) | stc(Cor) | Speed Ratings | Limiting Speed | Dimensions (ABMA) | d | d1~ | B | C | r1,2(min) | r3,4(min) | a | da(max) | db(min) | Da(min) | Da(max) | Db(min) | Ca(min) | Cb(min) | ra(max) | rb(max) | e | Y | Yo |
|
|
33010/Q |
50 |
80 |
24 |
80 |
102 |
11,4 |
6300 |
8000 |
0,45 |
2CE |
50 |
64,9 |
24 |
19 |
1 |
1 |
17 |
56 |
56 |
72 |
74 |
76 |
4 |
5 |
1 |
1 |
0,31 |
1,9 |
1,1 |
|
|
33011/Q |
55 |
90 |
27 |
104 |
137 |
15,3 |
5600 |
7000 |
0,67 |
2CE |
55 |
72,9 |
27 |
21 |
1,5 |
1,5 |
19 |
63 |
62 |
81 |
83 |
86 |
5 |
6 |
1,5 |
1,5 |
0,31 |
1,9 |
1,1 |
|
|
33012/Q |
60 |
95 |
27 |
106 |
143 |
16 |
5300 |
6700 |
0,71 |
2CE |
60 |
77,1 |
27 |
21 |
1,5 |
1,5 |
20 |
67 |
67 |
85 |
88 |
90 |
5 |
6 |
1,5 |
1,5 |
0,33 |
1,8 |
1 |
|
|
33013/Q |
65 |
100 |
27 |
110 |
153 |
17,3 |
5000 |
6300 |
0,78 |
2CE |
65 |
82,5 |
27 |
21 |
1,5 |
1,5 |
21 |
72 |
72 |
89 |
93 |
96 |
5 |
6 |
1,5 |
1,5 |
0,35 |
1,7 |
0,9 |
|
|
33014 |
70 |
110 |
31 |
130 |
196 |
22,8 |
4300 |
5600 |
1,10 |
2CE |
70 |
88,8 |
31 |
25,5 |
1,5 |
1,5 |
23 |
78 |
77 |
99 |
103 |
105 |
5 |
5,5 |
1,5 |
1,5 |
0,28 |
2,1 |
1,1 |
|
|
33015/Q |
75 |
115 |
31 |
134 |
228 |
26 |
4000 |
5300 |
1,15 |
2CE |
75 |
95 |
31 |
25,5 |
1,5 |
1,5 |
23 |
84 |
82 |
104 |
108 |
110 |
6 |
5,5 |
1,5 |
1,5 |
0,3 |
2 |
1,1 |
|
|
33016/Q |
80 |
125 |
36 |
168 |
285 |
32 |
3600 |
5000 |
1,65 |
2CE |
80 |
102 |
36 |
29,5 |
1,5 |
1,5 |
26 |
90 |
87 |
112 |
117 |
119 |
6 |
6,5 |
1,5 |
1,5 |
0,28 |
2,1 |
1,1 |
|
|
33017/Q |
85 |
130 |
36 |
183 |
310 |
34,5 |
3600 |
4800 |
1,75 |
2CE |
85 |
107 |
36 |
29,5 |
1,5 |
1,5 |
26 |
94 |
92 |
118 |
122 |
125 |
6 |
6,5 |
1,5 |
1,5 |
0,3 |
2 |
1,1 |
|
|
33018/Q |
90 |
140 |
39 |
216 |
355 |
39 |
3200 |
4500 |
2,20 |
2CE |
90 |
113 |
39 |
32,5 |
2 |
1,5 |
27 |
100 |
98 |
127 |
132 |
135 |
7 |
6,5 |
2 |
1,5 |
0,27 |
2,2 |
1,3 |
|
|
33019/Q |
95 |
145 |
39 |
220 |
375 |
40,5 |
3200 |
4300 |
2,30 |
2CE |
95 |
118 |
39 |
32,5 |
2 |
1,5 |
28 |
104 |
104 |
131 |
138 |
139 |
7 |
6,5 |
2 |
1,5 |
0,28 |
2,1 |
1,1 |
|
|
33020/Q |
100 |
150 |
39 |
224 |
390 |
41,5 |
3000 |
4000 |
2,40 |
2CE |
100 |
122 |
39 |
32,5 |
2 |
1,5 |
29 |
109 |
108 |
135 |
142 |
143 |
7 |
6,5 |
2 |
1,5 |
0,3 |
2 |
1,1 |
|
|
33021/Q |
105 |
160 |
43 |
246 |
430 |
45,5 |
2800 |
3800 |
3,05 |
2DE |
105 |
131 |
43 |
34 |
2,5 |
2 |
31 |
117 |
116 |
145 |
150 |
153 |
7 |
9 |
2 |
2 |
0,28 |
2,1 |
1,1 |
|
|
33022 |
110 |
170 |
47 |
281 |
500 |
53 |
2600 |
3600 |
3,85 |
2DE |
110 |
139 |
47 |
37 |
2,5 |
2 |
34 |
123 |
121 |
152 |
160 |
161 |
7 |
10 |
2 |
2 |
0,28 |
2,1 |
1,1 |
|
|
33024 |
120 |
180 |
48 |
292 |
540 |
56 |
2600 |
3400 |
4,20 |
2DE |
120 |
149 |
48 |
38 |
2,5 |
2 |
36 |
132 |
131 |
160 |
170 |
171 |
6 |
10 |
2 |
2 |
0,3 |
2 |
1,1 |
|
|
33030 |
150 |
225 |
59 |
457 |
865 |
86,5 |
2000 |
2600 |
8,15 |
2EE |
150 |
188 |
59 |
46 |
3 |
2,5 |
48 |
164 |
162 |
200 |
213 |
217 |
8 |
13 |
2,5 |
2 |
0,37 |
1,6 |
0,9 |
|
|
31330XJ2 |
150 |
320 |
82 |
781 |
1020 |
100 |
1400 |
2000 |
29,5 |
7GB |
150 |
234 |
75 |
50 |
5 |
4 |
96 |
181 |
170 |
251 |
303 |
300 |
9 |
32 |
4 |
3 |
0,83 |
0,72 |
0,4 |
|